Podorobnosti
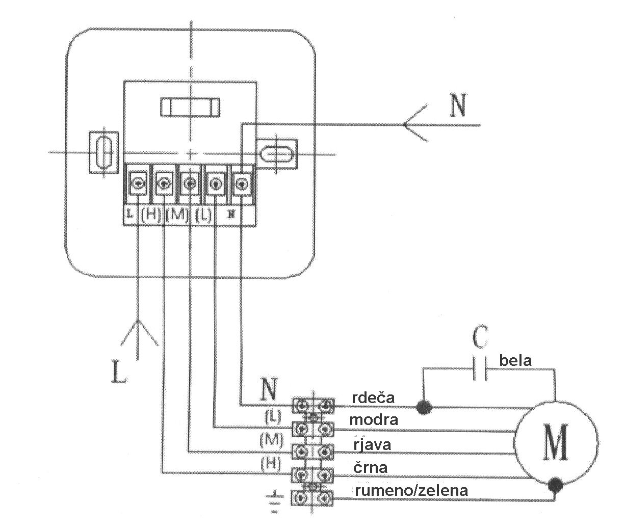
Tristopenjsko stikalo ta upravljanje hitrosti ventilatorjev OTT R3.
3-stopenjski regulator hitrosti.
ELEKTRIČNA SHEMA

Koda: RE121
Tristopenjsko stikalo ta upravljanje hitrosti ventilatorjev OTT R3.
3-stopenjski regulator hitrosti.
ELEKTRIČNA SHEMA

Koda: RE121